全国2008年10月高等教育自学考试非线性电子电路
编辑整理:深圳自考网 发布时间:2018-05-24 07:04:52阅读数:
课程代码:02342
一、单项选择题(本大题共10小题,每小题2分,共20分)
在每小题列出的四个备选项中只有一个是符合题目要求的,请将其代码填写在题后的括号内.错选、多选或未选均无分.
1.噪声系数是衡量电路或系统内部噪声大小的重要参数,其定义为( )
A.输入端的信号噪声电压比与输出端的信号噪声电压比的比值
B.输出端的信号噪声电压比与输入端的信号噪声电压比的比值
C.输入端的信号噪声功率比与输出端的信号噪声功率比的比值
D.输出端的信号噪声功率比与输入端的信号噪声功率比的比值
2.彩电和通信设备中使用的集中选频滤波器,要求选频特性好、工作频率较高、性能稳定,温度系数小,大多数采用( )
A.LC滤波器
B.石英晶体滤波器
C.陶瓷滤波器
D.声表面滤波器
3.下列叙述中,不正确的是( )
A.调频波的△ωm与调制信号振幅成正比,与调制信号频率无关
B.调相波的△ωm与调制信号振幅成正比,与调制信号频率成反比
C.调频波的mf与调制信号振幅成正比,与调制信号频率成反比
D.调相波的mp与调制信号振幅成正比,与调制信号频率无关
4.二极管峰值包络检波器中,容易出现惰性失真的情况是( )
A.输入信号的调幅度越大,调制信号频率越高
B.输入信号的调幅度越大,调制信号频率越低
C.输入信号的调幅度越小,调制信号频率越高
D.输入信号的调幅度越小,调制信号频率越低
5.AM信号中,若m=0.5,则含有调制信号信息的功率占总功率的百分比为( )
A.5.5
B.11.1
C.15
D.20
6.若石英晶体谐振器的串联谐振频率为f1、并联谐振频率为f2,则并联型晶体振荡器的工作频率f约为( )
A.f=f1
B.f=f2
C.f1<f<f2
D.f1>f>f2
7.AM信号的调幅度m的意义是( )
A.调幅信号的最小振幅与最大振幅的比值
B.调制信号频率与载波信号频率的比值
C.调制信号振幅与载波信号振幅的比值
D.调幅信号的振幅变化量与载波信号振幅的比值
8.角度调制时,当调制信号幅度不变,调制信号频率升高,则这时调频波和调相波两者带宽的变化是( )
A.两者带宽都基本不变
B.两者带宽都增加
C.调频波带宽基本不变,调相波带宽增加
D.调频波带宽增加,调相波带宽基本不变
9.某调幅广播收音机中频频率为465kHz,当收听720kHz电台信号时,有时还听到1650kHz的干扰信号,该干扰应属于( )
A.中频干扰
B.干扰哨声
C.镜像干扰
D.交叉调制干扰
10.载波为频率20MHz、振幅为4V的正弦波,调制信号为单频正弦波、频率为400Hz,最大频偏为10kHz,试问调频波和调相波数学表达式正确的是( )
A.
B.
C.
D.
二、多项选择题(本大题共5小题,每小题2分,共10分)
在每小题列出的四个备选项中至少有两个是符合题目要求的,请将其代码填写在题后的括号内.错选、多选、少选或未选均无分.
11.反馈型振荡器产生自激振荡的稳定条件是( )
A.
B.

C.
D.
12.反映信息内容的电信号,其表示方法有( )
A.函数表示法
B.波形表示法
C.幂级数表示法
D.频谱表示法
13.电路内部引起电子噪声的来源主要是( )
A.晶体管和场效应管
B.电抗元件
C.电阻元件
D.人为干扰
14.下列电路中,属于频谱线性搬移电路的有( )
A.线性放大电路
B.振幅调制与解调电路
C.频率调制与解调电路
D.混频电路
15.频率合成器的主要技术指标,除频率准确度和频率稳定度外,还有( )
A.频率范围
B.频率分辨率
C.频率转换时间
D.频谱纯度
三、填空题(本大题共5小题,每小题2分,共10分)
请在每小题的空格中填上正确答案.错填、不填均无分.
16.通信系统中广泛应用的调制器、解调器、混频器、功率放大器、正弦波发生器等都是利用__________完成的.
17.晶体管高频功率放大器为了要高效地输出大功率,应选在__________状态下工作,这就要求管子基极偏压使管子工作在__________区,只有输入激励信号电压为大信号时,高频功放才能正常工作.
18.从严格意义上讲,SSB信号是__________信号,而DSB信号是__________信号.
19.频谱的非线性搬移是指输入信号的频谱不仅在频域上发生搬移,而且__________也发生了改变.
20.线性时变电路分析法是非线性电路的重要分析方法,它要求必须有一个输入信号是__________,从而简化了非线性电路的分析,也减少了非线性器件的组合频率分量,完成了频谱搬移功能.
四、简答题(本大题共3小题,每小题4分,共12分)
21.工作在临界状态的某高频谐振功率放大器,负载是并联谐振回路,试问下列两种情况下,高频功放工作状态将怎样变化?输出功率和集电极耗散功率又将怎样变化?
(1)负载突然开路
(2)负载回路失谐
22.简述提高振荡器频率稳定度的主要措施有哪些?
23.同步检波器有哪两种类型?分别画出它们的组成框图,说明其基本原理.这种检波器实现不失真解调的关键是什么?
五、计算题(本大题共5小题,共30分)
24.(5分)鉴频器的输入信号uFM(t)=2sin(ωct+10sin 2×103πt) (V),已知鉴频灵敏度SD=-4mV/kHz,线性范围大于2△fm,求输出电压u0(t).
25.(5分)图1 锁相频率合成器中,fc=10MHz,fL=50MHz,固定分频比M=100,输出频率范围fo=70~80MHz,求:频率分辨率和可变分频比N(BPF为带通滤波器,fL为本振信号频率.)

26.(6分)某一非线性器件的伏安特性为i=a2u2+a3u3式中a2、a3是不为零的常数,电压u是两个频率f1=100Hz、f2=150Hz的正弦波,问电流i中会出现哪些频率分量?
27.(6分)设调频波为幅度为2V的余弦形式,已知其瞬时频率f(t)=5×106+2×104sin 103πt
试求:(1)写出调频波的数学表述式uFM(t)
(2)FM波的中心频率fc和最大频偏△fm为多少?
(3)FM波的频带宽度为多少?
(4)当调制信号振幅不变而频率增大一倍,这时FM波的带宽又为多少?
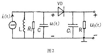
28.(8分)图2 检波电路中,输入回路谐振频率fo=1MHz,回路本身谐振电阻R0=20kΩ,C=100pF,检波负载R=10kΩ,C1=0.01μF,二极管VD为理想二极管.
输入信号ii(t)=0.6(1+0.5cos103πt) cos 2×106πt(mA)
计算:
(1)输入回路无载品质因数Qo和有载品质因数Q;
(2)写出输入电压ui(t)和输出电压uo(t)的表达式;
(3)检验电路能否出现惰性失真.

六、识图与画图题(本大题共3小
[1]
本文标签:深圳自考 历年真题 全国2008年10月高等教育自学考试非线性电子电路
转载请注明:文章转载自(http://www.zikaosz.com)
《深圳自考网》免责声明:
1、由于考试政策等各方面情况的调整与变化,本网提供的考试信息仅供参考,最终考试信息请以省考试院及院校官方发布的信息为准。
2、本站内容部分信息均来源网络收集整理或来源出处标注为其它媒体的稿件转载,免费转载出于非商业性学习目的,版权归原作者所有,如有内容与版权问题等请与本站联系。联系邮箱:812379481@qq.com
