全国2009年4月高等教育自学考试电子技术基础(二)
编辑整理:深圳自考网 发布时间:2018-05-24 07:04:58阅读数:
全国2009年4月高等教育自学考试电子技术基础(二)试题
课程代码:02273
一、单项选择题(本大题共15小题,每小题1分,共15分)
在每小题列出的四个备选项中只有一个是符合题目要求的,请将其代码填写在题后的括号内.错选、多选或未选均无分.
1.三极管β值是反映( )
A.电压控制电压能力的参数
B.电流控制电流能力的参数
C.电压控制电流能力的参数
D.电流控制电压能力的参数
2.模拟集成电路的输入一般采用( )
A.共发射极电路
B.差动电路
C.共集电极电路
D.共基极电路
3.互补对称功率放大器是( )
A.共发射极电路
B.差动电路
C.共集电极电路
D.共基极电路
4.RC文氏桥振荡器起振条件是( )
A.Af =1
B.Af >1
C. Af=3
D. Af >3
5.单相桥式整流电路流过每个整流二极管的电流是流过负载电流的( )
A.0.5倍
B.0.707倍
C.0.9倍
D.1.2倍
6.三端集成稳压器CW7800系列额定电流是( )
A.0.1A
B.0.5A
C.1A
D.1.5A
7.字母A的ASCII码为( )
A.3AH
B.40H
C.41H
D.61H
8.三位二进制代码可以编出的代码有( )
A.3种
B.4种
C.6种
D.8种
9.在10线-4线优先编码器74HC147中,当输入
=0时,则输出
=( )
A.1001
B.1000
C.0111
D.0110
10.发光二极管的工作电流为( )
A.几微安~几十微安
B.几十微安~几百微安
C.几毫安~十几毫安
D.几安培
11.在CP有效的情况下,当输入端T=0,则T触发器的输出Qn+1=( )
A.Qn+1=0
B.Qn+1=1
C.Qn+1=Qn
D. Qn+1=
12.由555定时器构成的多谐振荡器电路中,振荡周期取决于( )
A.电源电压
B.R1、R2和C
C.仅与C有关
D.仅与R1和R2有关
13.多谐振荡器是用来产生( )
A.正弦波
B.矩形波
C.锯齿波
D.三角波
14.单稳态触发器的触发脉冲宽度ti与暂态维持时间tw之间应满足( )
A.ti<tw
B.ti=tw
C.ti>tw
D. ti≥tw
15.A/D转换是指( )
A.模拟量到数字量的转换
B.数字量到模拟量的转换
C.高电平到低电平的转换
D.低电平到高电平的转换
二、填空题(本大题共15小题,每小题1分,共15分)
请在每小题的横线上填上正确答案.错填、不填均无分.
16.场效应管属于单极型的___________器件.
17.若三极管发射结正偏,集电结也正偏则三极管处于___________状态.
18.在N型半导体中___________是多数载流子.
19.引入串联负反馈可以___________放大电路的输入电阻.
20.集成运放作线性应用时,一般工作在___________状态.
21.理想集成运放开环输入电阻ri=___________.
22.为了稳定静态工作点,应引入___________.
23.正弦波振荡器,自激振荡的相位平衡条件为___________.
24.在并联型石英晶体振荡器中,石英晶体作为___________使用,组成电容三点式振荡器.
25.单相桥式整流电路输出电压平均值U0(av)= ___________U2.
(U2是电源变压器副边电压有效值)
26.逻辑变量X与"1"异或相当于___________.
27.逻辑函数Y=A+B
的反函数
=___________.
28.在CP有效的情况下,D触发器具有置0和___________功能.
29.单稳态触发器在没有外部触发信号的情况下处于___________状态.
30.位数越多的DAC,其分辨率越___________.
三、计算题(本大题共1小题,共3分)
31.用卡诺图化简下列逻辑函数
F(A,B,C,D)=Ξm(0,1,2,3,4,7,15)+ Ξd(8,9,10,11,12,13)
四、简答题(本大题共3小题,每小题5分,共15分)
32.电容三点式振荡器与电感三点式振荡器比较,其输出波形好,为什么?
33.写出J—K触发器的特性方程和特性表.
34.引起放大电路的高频特性变差的主要原因是什么?引起放大电路的低频特性变差的主要原因是什么?
五、分析题(本大题共2小题,共14分)
35.定性画出555组成的多谐振荡器的VC和VO波形,写出周期T的表达式.(5分)

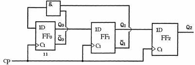
36.分析下图的逻辑功能,要求写出驱动方程、状态方程、输出方程,画出状态转换图.
(9分)

六、设计题(本大题共2小题,共18分)
37.设计一个举重裁判电路,A,B,C为三个裁判,其中A为主裁判,B,C为副裁判,当包括A在内的至少两个裁判同意时,表示举重成功,设计电路,实现用一盏灯的亮灭表示举重是否成功.(8分)
要求:(1)列出真值表;
(2)写出逻辑表达式;
(3)用与非门实现该电路.
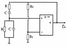
38.文氏桥振荡器电路如图所示,图中R=3KΩ,C=0.3μF,RF=R1=1KΩ.(10分)
试求:

(1)分析该电路参数是否满足起振条件?若不满足,应如何修改?
(2)计算振荡频率f0=?
七、分析计算题(本大题共2小题,每小题10分,共20分)
39.电路如图所示:图中R1=1KΩ,R2=2KΩ,R3= R4=5KΩ.
试求:(1)Uo与Ui1和Ui2的关系;
(2)当Ui1=0.5V, Ui2=0.1V时,计算输出电压Uo值,运放输入端电位UN、UP值.
40.电路如图,已知图中+UCC=12V-UEE=-12V,β1=β2=50,Rb=Rc=Re=10KΩ,Rs=50Ω,rbe1= rbe2=2.0KΩ.

试求:(1)若已知Re电阻的电流IE=1mA,求电路中IC1、IC2、UC1、UC2、IB1、IB2;
(2)求差模电压放大倍数Ad.
本文标签:深圳自考 历年真题 全国2009年4月高等教育自学考试电子技术基础(二)
转载请注明:文章转载自(http://www.zikaosz.com)
《深圳自考网》免责声明:
1、由于考试政策等各方面情况的调整与变化,本网提供的考试信息仅供参考,最终考试信息请以省考试院及院校官方发布的信息为准。
2、本站内容部分信息均来源网络收集整理或来源出处标注为其它媒体的稿件转载,免费转载出于非商业性学习目的,版权归原作者所有,如有内容与版权问题等请与本站联系。联系邮箱:812379481@qq.com
